下载APP
收藏本站
帮助中心
天天打卡
切换到宽版
账号
自动登录
找回密码
密码
登录
注册
微信登录,快人一步
只需一步,快速开始
快捷导航
感染网
门户
Portal
论坛
BBS
导读
Guide
圈子
Group
问答中心
活动商城
@资料库
@VIP专区
#全民话题
AI文库
AI聊天
活动中心
积分商城
积分捐助
课件库
法规库
视频库
工具箱
新媒体联盟
专家笔记区
专题见稿区
专题专栏区
活动中心
积分商城
感控书城
技能提升
直播回放
2025年会
法规文库
专家笔记
音视频库
指标解读
感术行动
更多专栏
绑定微信
官方微信
医考圈
绑定手机
官方微博
实名认证
自编书库
论坛公告
发展历程
关于我们
搜索
搜索
热搜:
感术行动
规率行动
送检率
规范解读
口腔科
邻苯二甲醛
隔离标识
水处理
手卫生
手术室
多重耐药菌
计划
法规
本版
用户
水乡爱丽论坛
»
论坛
›
重点部门
›
手术室与介入室
›
请教关于洁净手术间空气培养的问题
1
2
3
4
5
6
7
/ 7 页
下一页
返回列表
发新帖
楼主:
春花秋月
[求助]
请教关于洁净手术间空气培养的问题
火...
[复制链接]
新朋友
新朋友
当前离线
积分
538
发表于 2011-4-11 16:36
|
显示全部楼层
如果按65、66#二位老师所说,《医院感染预防与控制标准操作规程》一书中第197页的图,怎么解释?
回复
顶
踩
使用道具
举报
gkk
gkk
当前离线
积分
767
发表于 2011-4-12 10:18
|
显示全部楼层
回复
7#
有缘
很好的质料,谢谢了!
回复
顶
踩
使用道具
举报
xysy1688
xysy1688
当前离线
积分
5611
打卡等级:偶尔看看
打卡总奖励:68
最近打卡:2025-03-07 16:04:10
发表于 2011-4-12 11:06
|
显示全部楼层
谢谢各位老师的指点!
回复
顶
踩
使用道具
举报
wangn
wangn
当前离线
积分
469
发表于 2011-4-12 15:25
|
显示全部楼层
分中心区、周围区,100级--13个,1000级--9个,10000级--7个,100000级--5个,
回复
顶
踩
使用道具
举报
小绿点
小绿点
当前离线
积分
387
发表于 2011-4-12 20:30
|
显示全部楼层
回复
65#
zjhu
老师,您好!我的理解是:一个百级手术间共布点21点或22点;万级共布点11个或12个。不知道对不?请老师指教
回复
顶
踩
使用道具
举报
szylh
szylh
当前离线
积分
2891
发表于 2011-4-12 20:37
|
显示全部楼层
手术区摆5个点,周边区摆8个点,共13个点。
回复
顶
踩
使用道具
举报
不知道
不知道
当前离线
积分
225
发表于 2011-4-13 09:21
|
显示全部楼层
洁净手术部(区域)空气监测方法
回复
顶
踩
使用道具
举报
不知道
不知道
当前离线
积分
225
发表于 2011-4-13 09:28
|
显示全部楼层
我想上传“洁净手术部(区域)空气监测方法”课件,但上传不了,不知怎上传?
回复
顶
踩
使用道具
举报
liyang2010
liyang2010
当前离线
积分
285
发表于 2011-4-13 09:42
|
显示全部楼层
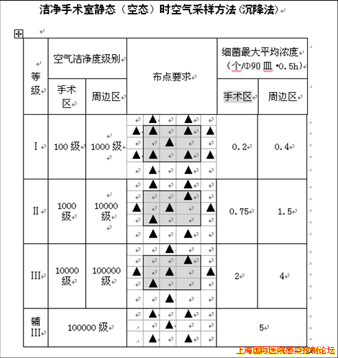
这个图片请大家看一下!
希望对如何采点有所帮助。
回复
顶
踩
使用道具
举报
wjllulu
wjllulu
当前离线
积分
1340
发表于 2011-4-13 09:44
|
显示全部楼层
0.2个/(30min*90皿),是平均每个平皿不超过0.2个菌落吗?也就是说13个平皿总共不超过2.6个菌落。
回复
顶
踩
使用道具
举报
二附院
二附院
当前离线
积分
2280
发表于 2011-4-13 09:54
|
显示全部楼层
按有缘老师提供的资料布点,周边区离地、离墙80cm-100cm。
回复
顶
踩
使用道具
举报
浙江胡
浙江胡
当前离线
积分
2031
发表于 2011-4-13 11:42
|
显示全部楼层
回复
105#
小绿点
100级洁净手术室:手术区13个点,周边区根据情况设6-8个点,最好设阴性和阳性对照。其他的类推就是。
回复
顶
踩
使用道具
举报
白玉兔
白玉兔
当前离线
积分
1270
发表于 2011-4-13 17:28
|
显示全部楼层
手术室的细菌学的检测
采样前提前开启空气处理机(空调),并在开机满30分钟后进行采样。不能在刚做完手术的房间采样。
采样时手术间处于清洁、静止、密闭的状态下进行。采样时手术间的门保持关闭状态。培养皿放置后人员迅速离开,采样过程禁止无关人员出入。
检测人员洗手、穿无菌衣。人员总数≤2人。
平皿放置总数13个(中心区5个;周边区8个)。
平皿放置位置:距地面80cm-1.5m处。距墙1m。
平皿放置方法:将培养皿放置在相同高度的平面物体上,平皿下衬垫灭菌布垫(防止气流撞击平面后的扬尘影响采样效果
回复
顶
踩
使用道具
举报
bdmei73
bdmei73
当前离线
积分
815
发表于 2011-4-13 22:52
|
显示全部楼层
我是新会员,向老师们问好!布点数在洁净手术室验收标准中有具体要求,我们一直按照执行。千级布点应该是9个,中央区3个,周边6个。版主老师提到沉降法不适合,很想知道那种方法适合。请老师们赐教!
回复
顶
踩
使用道具
举报
小绿点
小绿点
当前离线
积分
387
发表于 2011-4-14 20:37
|
显示全部楼层
回复
112#
zjhu
明白了 谢谢老师
回复
顶
踩
使用道具
举报
蓝鱼o_0
蓝鱼o_0
当前离线
积分
7558
发表于 2011-6-4 23:06
|
显示全部楼层
回复
1#
zhima981001
很好的问题。
你指的是动态有人情况?我们是用安德森采样器,5分钟。
通过平板沉降法,这个是没有标准的。所以我们平常不做。
回复
顶
踩
使用道具
举报
无云
无云
当前离线
积分
1009
发表于 2011-6-4 23:56
|
显示全部楼层
本帖最后由 无云 于 2011-6-5 00:04 编辑
疾控部门做动态监测时是这样布点的:平皿沉降法5分钟
回复
顶
踩
使用道具
举报
黑旋风
黑旋风
当前离线
积分
11082
发表于 2011-6-5 06:22
|
显示全部楼层
回复
1#
zhima981001
在这儿可能有你需要的答案:
https://bbs.sific.com.cn/viewthre ... =%BD%AD%CB%D5%CA%A1
回复
顶
踩
使用道具
举报
淡淡
淡淡
当前离线
积分
2209
发表于 2011-6-5 14:34
|
显示全部楼层
像版主提供的网址,我打不开,还有别的什么途径?谢谢提供。
回复
顶
踩
使用道具
举报
无云
无云
当前离线
积分
1009
发表于 2011-6-6 08:33
|
显示全部楼层
回复
7#
天亮
是.pdf格式。此前,我也遇到同样的问题。
昨天,沧浪之水版主:
https://bbs.sific.com.cn/viewthread.php?from=notice&tid=54538
下载安装pdf阅览器软件后就能顺利下载了,去试试看
回复
顶
踩
使用道具
举报
下一页 »
1
2
3
4
5
6
7
/ 7 页
下一页
返回列表
发新帖
高级模式
B
Color
Image
Link
Quote
Code
Smilies
您需要登录后才可以回帖
登录
|
注册
|
本版积分规则
发表回复
回帖并转播
回帖后跳转到最后一页
浏览过的版块
医疗废物/污水
关闭
站长推荐
/1
输液管的连接头,算损伤性还是感染性废物?
它确实存在刺伤人体的风险,如何处理,成了感控部门非常纠结的管理点。
查看 »
Copyright © 2007-2025
水乡爱丽论坛
(https://www.sxally.com/) 版权所有 All Rights Reserved.
E-mail:sific2007@163.com QQ:2420400092(小小牧童)
Powered by
Discuz!
X3.5 技术支持:
上海莫畏信息科技有限公司
|
沪ICP备16047626号-1
快速回复
返回顶部
返回列表